5月15日-17日,国内领先的电源管理及信号链芯片供应商之一的希荻微电子将亮相 AUTO TECH 2024 华南展。作为华南重要的汽车科技创新展示平台,欢迎各位汽车工程师们莅临展会参观指导!


希荻微电子集团股份有限公司(以下简称“公司”或“希荻微”)成立于2012年,2022年1月21日于科创板挂牌上市,股票代码:688173,是国内领先的电源管理及信号链芯片供应商之一。公司开发了一系列具有高效率、高精度、高可靠性等性能优异的芯片产品,涵盖锂电池充电管理、高性能DC/DC、端口保护、电源开关、车载电源、自动对焦(AF)和光学防抖(OIS)、马达驱动和AC/DC等全系列产品线。希荻微的产品达到了国际领先的水平,具备了与国内外龙头厂商相竞争的性能,获得了海内外众多知名品牌客户的认可。
公司拥有具备国际化背景的行业高端研发及管理团队,设立了CPM、ACC、PC、IVS、MAS五大事业部,以便于更快速、灵活和专业化地满足终端市场和客户需求,明确发展路径和产品规划,更加明晰战略目标和定位。
CPM事业部专注于中国区便携式通信设备(手机、平板等)、可穿戴设备(手表、手环、耳机等)、IoT(物联网)设备等领域。主要产品包括:锂电池快充芯片、端口保护和信号切换芯片、超级快充(电荷泵)芯片、消费类DC/DC芯片、负载切换开关芯片等产品。
ACC事业部专注于汽车、云服务器、笔记本、计算设备等领域。主要产品包括:车规级电源芯片、云服务器电源芯片。
PC事业部专注于工业电源、电动工具等电机驱动产品领域,提供马达驱动和直流无刷电机解决方案。PC事业部主要产品包括:单相 IPM、三相 IPM、功率器件栅极驱动器等多款产品。
IVS事业部专注于手机等消费电子领域。主要产品包括:摄像头音圈马达开环/闭环驱动芯片、摄像头OIS光学防抖音圈马达、SMA记忆金属马达驱动芯片。
MAS事业部专注于海外便携式移动通讯设备(手机)等领域。主要产品包括:针对海外客户需求开发的消费类电源芯片。
如需了解更多或申请样品,请访问公司官网https://www.halomicro.cn.
展位号:A151
【产品展示】
1、更安全高效的汽车和马达驱动应用解决方案
希荻微汽车应用解决方案
希荻微致力于研发和提供高可靠性、高质量的汽车级(符合AECQ-100认证)产品,包括高边开关、DC-DC转换器、线性稳压器等,为信息娱乐系统的GPU 供电和其他多种应用。

希荻微高性能车载电源系列部分芯片介绍

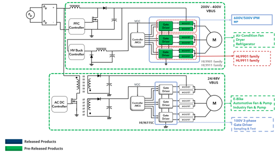
希荻微马达驱动IPM及其配套的辅助供电方案
希荻微专注于工业电源、电动工具等电机驱动产品领域,提供不同功率段的马达驱动IPM及其配套的辅助供电方案

希荻微马达驱动IPM系列部分芯片介绍

2、高集成度、超低功耗的消费电子解决方案
希荻微致力于提供完整的电池充电解决方案、低功耗DC-DC以及USB端口保护等系列产品,以满足客户对于高性能、功能差异化和设计灵活性的需求。
希荻微智能手表快充解决方案

希荻微高性能高性能DC/DC、端口保护系列部分芯片介绍

希荻微手机快充解决方案:

希荻微锂电池充电系列部分芯片介绍

希荻微视觉感知产品系列部分芯片介绍(摄像头管理产品)

【展会介绍】
AUTO TECH 中国国际汽车技术展览会是由汽车技术相关的展览及高峰技术论坛组成,涵盖汽车电子技术、车用功率半导体技术、智能座舱技术、轻量化技术/材料、智能底盘技术、EV/HV技术、测试测量技术以及自动驾驶技术等汽车工业多个重要领域;作为汽车科技创新展示平台,组委会将邀请诸如广汽、比亚迪、日产、丰田、本田、特斯拉、小鹏、蔚来、理想、东风、长安、上汽、吉利、长城、奇瑞、通用、奔驰、宝马 、大众、一汽、博世、大陆、宁德时代、电装、德赛西威、华为技术等汽车OEM制造商及Tier 1 & 2 零部件供应商的上万名采购、技术工程师汇聚一堂,参加展会。
AUTO TECH 经过多年的发展和完善,已经成为汽车前装领域不可多得的专注于技术和贸易的展览会,成功吸引了上千家国内外知名品牌参展。本届汽车技术展将于2024年5月15日-17日在广州保利世贸博览馆举办,以“绿色发展,科技创新 ”为主题,坚持技术引领科技,技术推动产业发展,为中国汽车产业新四化和走向世界贡献力量。
即刻报名参与预登记 解锁现场精彩内容
AUTO TECH 2024 华南展 诚邀您与行业同仁一道共迎汽车人的行业盛会,奏响汽车产业新篇章。5月15日-17日,广州保利世贸博览馆,期待您的莅临!即日起,观众可通过官网、公众号和电话渠道预约登记免费参观。更多精彩等待您现场解锁!